
【产品用途】
H44W、H44Y 型 PN16~PN250 不锈钢止回阀适用于压力 1.6~25MPa 事情温度-29~+550℃ 的石油、化工、制药、化肥、电力行业等种种工况的管路上,,,适用介质为水、油品、蒸汽、酸性介质等。。。
【产品特点】
H44W、H44Y 不锈钢止回阀是靠管路中介质自己的流动爆发的力而自动开启和关闭的,,,属于一种自动阀门。。。止回阀用于管路系统,,,其主要作用是避免介质倒流、避免泵及其驱动电机机反转,,,以及容器内介质的泄放。。。止回阀还可用于给其中的压力可能升至凌驾主系统压力的辅助系统提供补给的管路上。。。
【性能参数】
|
型号 |
H44W-16P~250 |
|
|
事情压力(MPa) |
1.6~25 |
|
|
适用温度(℃) |
≤550 |
|
|
适用介质 |
弱侵蚀性介质 |
|
|
质料 |
阀体、阀盖、阀瓣 |
铬镍钛不锈钢 |
|
密封面 |
本体密封 |
|
【主要零件质料】
|
零件名称 |
质料名称 |
|||
|
阀体 |
A351 CF8 |
A351 CF8M |
A351 CF3 |
A351 CF3M |
|
阀盖 |
A351 CF8 |
A351 CF8M |
A351 CF3 |
A351 CF3M |
|
阀板 |
A351 CF8 |
A351 CF8M |
A351 CF3 |
A351 CF3M |
|
密封面 |
本体/STL |
本体/STL |
本体/STL |
本体/STL |
|
阀轴 |
A182 F304 |
A182 F316 |
A182 F304L |
A182 F316L |
|
垫片 |
柔性石墨 |
柔性石墨 |
柔性石墨 |
柔性石墨 |
|
螺栓 |
A193 B8 |
A193 B8M |
A193 B8 |
A193 B8M |
|
螺母 |
A194 8 |
A194 8M |
A194 8 |
A194 8M |
|
使用温度 |
-46~425℃ |
-46~425℃ |
-46~425℃ |
-46~425℃ |
|
适用介质 |
弱侵蚀性 |
弱侵蚀性 |
弱侵蚀性 |
弱侵蚀性 |
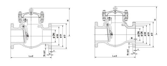
【主要形状和毗连尺寸】
|
公称通径 DN |
主要形状尺寸和毗连尺寸 |
||||||
|
L |
D |
D1 |
D2 |
b |
Z-d |
H |
|
|
H44W-16P H44W-16R |
|||||||
|
25 |
160 |
115 |
85 |
65 |
16 |
4-14 |
100 |
|
32 |
180 |
135 |
100 |
78 |
16 |
4-18 |
105 |
|
40 |
200 |
145 |
100 |
85 |
16 |
4-18 |
115 |
|
50 |
230 |
160 |
125 |
100 |
16 |
4-18 |
135 |
|
65 |
290 |
180 |
145 |
120 |
18 |
4-18 |
142 |
|
80 |
310 |
195 |
160 |
135 |
20 |
8-18 |
165 |
|
100 |
350 |
215 |
180 |
155 |
20 |
8-18 |
180 |
|
125 |
400 |
245 |
210 |
185 |
22 |
8-18 |
210 |
|
150 |
480 |
280 |
240 |
210 |
24 |
8-23 |
233 |
|
200 |
500 |
335 |
295 |
265 |
26 |
12-23 |
304 |
|
250 |
550 |
405 |
355 |
320 |
30 |
12-25 |
348 |
|
300 |
650 |
460 |
410 |
375 |
30 |
12-25 |
390 |
|
350 |
750 |
520 |
470 |
435 |
34 |
16-25 |
430 |
|
400 |
850 |
580 |
525 |
485 |
36 |
16-30 |
468 |
|
H44W-25P H44W-25R |
|||||||
|
25 |
160 |
115 |
85 |
65 |
16 |
4-14 |
100 |
|
32 |
180 |
135 |
100 |
78 |
16 |
4-18 |
105 |
|
40 |
200 |
145 |
110 |
85 |
16 |
4-18 |
115 |
|
50 |
230 |
160 |
125 |
100 |
20 |
4-18 |
160 |
|
65 |
290 |
180 |
145 |
120 |
22 |
8-18 |
175 |
|
80 |
310 |
195 |
160 |
135 |
22 |
8-18 |
185 |
|
100 |
350 |
230 |
190 |
160 |
24 |
8-23 |
220 |
|
125 |
400 |
270 |
220 |
188 |
28 |
8-25 |
248 |
|
150 |
480 |
300 |
250 |
218 |
30 |
8-25 |
276 |
|
200 |
550 |
360 |
310 |
278 |
34 |
12-25 |
350 |
|
250 |
650 |
425 |
370 |
332 |
36 |
12-30 |
410 |
|
300 |
750 |
485 |
430 |
390 |
40 |
16-30 |
430 |
|
350 |
850 |
550 |
490 |
448 |
44 |
16-34 |
518 |
|
400 |
950 |
610 |
550 |
505 |
48 |
16-34 |
560 |
【结构图片】