
【产品用途】
D373H、D373Y型对夹蝶阀接纳细密的J形弹性密封圈和三偏心多条理金属硬密封结构,,,,,,被普遍用于介质温度≤425℃的治金、电力、石油化工、以及给排水和市政建设等工业管道上,,,,,,作调理流量和载断流体使用。。。。
【产品特点】
1、对夹蝶阀接纳三偏心密封结构,,,,,,阀座与蝶板险些无磨损,,,,,,具有越观越紧的密封功效
2、密封圈选用不锈钢制作,,,,,,具有金属硬密封和弹性密封的双重优点,,,,,,无论在低温顺高温的情形下,,,,,,均具有优良的密封性能,,,,,,具有耐侵蚀,使用寿命长等特点
3、蝶板密封面接纳堆焊钴基硬质合金,,,,,,密封面耐磨损,,,,,,使用寿命长
4、大规格蝶板接纳绗架结构,,,,,,强度高,,,,,,过流面积大,,,,,,流阻小
5、对夹式硬密封蝶阀具有双向密封功效,,,,,,装置时不受介质流向的限制,,,,,,也不受空间位置的影响,,,,,,可在任何偏向装置
6、驱动装置可以多工位(旋转90°或180°)装置,,,,,,便于用户使用
【性能参数】
|
型号 |
D373H-10C~40 |
D373H-10P~40 |
|
|
D373Y-10C~40 |
D373Y-10P~40 |
||
|
事情压力(MPa) |
1.0~4.0 |
||
|
适用温度(℃) |
≤300 |
||
|
适用介质 |
水、油品、蒸汽等 |
||
|
质料 |
阀体、蝶板 |
铸钢 |
奥氏体不锈钢 |
|
阀杆 |
40Cr |
奥氏体不锈钢 |
|
|
密封面配对证料 |
不锈钢/不锈钢 |
不锈钢/司太立 |
|
|
填料 |
柔性石墨 |
聚四氟乙烯 |
|
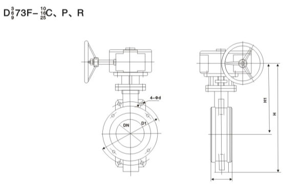
【主要形状和毗连尺寸】
|
公称通径DN |
主要尺寸 |
法兰尺寸 |
|||||||
|
1.0MPa |
1.6MPa |
2.5MPa |
|||||||
|
L |
H1 |
H |
D1 |
n-Φd |
D1 |
n-Φd |
D1 |
n-Φd |
|
|
50 |
43 |
255 |
340 |
125 |
4-18 |
125 |
4-18 |
125 |
4-18 |
|
65 |
46 |
280 |
370 |
145 |
4-18 |
145 |
4-18 |
145 |
4-18 |
|
80 |
49 |
285 |
385 |
160 |
4-18 |
160 |
4-18 |
160 |
4-18 |
|
100 |
56 |
310 |
430 |
180 |
4-18 |
180 |
4-18 |
190 |
4-22 |
|
125 |
64 |
310 |
440 |
210 |
4-18 |
210 |
4-18 |
220 |
4-26 |
|
150 |
70 |
315 |
475 |
240 |
4-23 |
240 |
4-22 |
250 |
4-26 |
|
200 |
71 |
380 |
590 |
295 |
4-23 |
295 |
4-22 |
310 |
4-26 |
|
250 |
76 |
460 |
710 |
350 |
4-23 |
355 |
4-26 |
370 |
4-30 |
|
300 |
83 |
475 |
725 |
400 |
4-23 |
410 |
4-26 |
430 |
4-30 |
|
350 |
92 |
510 |
830 |
460 |
4-23 |
470 |
4-26 |
490 |
4-33 |
|
400 |
102 |
550 |
900 |
515 |
4-25 |
525 |
4-30 |
550 |
4-36 |
|
450 |
114 |
590 |
970 |
565 |
4-25 |
585 |
4-30 |
600 |
4-36 |
|
500 |
127 |
610 |
1030 |
620 |
4-25 |
650 |
4-33 |
660 |
4-36 |
|
600 |
154 |
660 |
1150 |
725 |
4-30 |
770 |
4-36 |
770 |
4-39 |
|
700 |
165 |
730 |
1220 |
840 |
4-30 |
840 |
4-36 |
875 |
4-42 |
|
800 |
190 |
810 |
1300 |
950 |
4-34 |
950 |
4-39 |
990 |
4-48 |
|
900 |
203 |
930 |
1480 |
1050 |
4-34 |
1050 |
4-39 |
1090 |
4-48 |
|
1000 |
216 |
1020 |
1600 |
1160 |
4-34 |
1170 |
4-42 |
1210 |
4-56 |
【结构图片】